sand making machine

Product

Project case more>>

5 Type Output Size Marble Sand Making Production Line In Sou

Granite Crush Plant in Iran

Contact US more>>
Project

5 Type Output Size Marble Sand Making Production Line In Sou

Date::2015-01-24 15:29    From:clirik
The main component of marble is CaCO3. Marble is extensively used for sculpture, and as a building material. Marble powder is widely used in plastic and rubber filling, especially for the modified marble powder, which has higher filling ability and much easier to store. Here we introduce one successful case on marbel sand making production in South Africa. 

Customer practical needs on Marble Sand Making Production Line:
Capacity: 20tons per hour
Raw material: marble
input size is 300-500MM
Output sizes are below:
A. Size 0- 5 micron with packaging 
B. size 5-15 micron with packaging
C.size 15-75 micron with packaging
D. size 75 micron-1MM with packaging
E. Size 1-3 mm with packaging
D. Size 10mm without pack 
E. Size 20 mm without pack
 
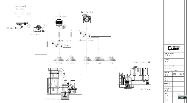
Lasted designed drawing for Marble Sand Making Production Line:
marle sand making production line
 
Configurate for Marble Sand Making Production Line:
vibrating feeder for feeding marble raw material
jaw crusher, cone crusher and fine crusher to crush marble into partical size
vibrating screen to vibrate marble partical size into 0-10mm, 10-20mm, 0-1mm, 1-3mm, 4 types. 
Raymond mill to grind tailing of marble partical size into 0.015-0.075mm. 
ultra fine mill to grind tailing of marble partical size into 0-0.005mm. 
 
You are alwyas warmly welcomed to contact or visit us .Our engineers will design the most suitable solution for your project.
Any needs or questions, please leave a message or chat with our one line service now!
 

上一篇:Granite Crush Plant in Iran

下一篇:没有了

Shanghai Clirik Machinery Co.,Ltd   All rights reserved.    Tel: 0086-21-20236178    Fax: 0086-21-58974855    E-mail: info@clirik.com    Address:No.19Fuqing Rd,Shanghai